产品分类

联系我们

启东市昶鑫环保设备有限公司
地址:启东市经济开发区凯旋路338号
电话:0513-83223318
传真:0513-83252058
联系人:姚亚鑫
手机:13606286423
http://www.jscxhb.com
E-mail:chxssb@126.com

 

JD-GLQ型自清洗水过滤器

一、用 途
  本产品适用于造纸、钢铁、化工、发电和环保等需连续用水的场合,用于滤除水体中的固态颗粒和杂质,确保其后续或终端设备能顺利运行。
二、结构特点
  1、高精度高强度的滤芯
  滤芯采用不锈钢约翰逊筛网(楔形筛网),它由梯形截面不锈钢丝缠绕焊接在多棱骨架上制成,每相邻两根钢丝之间形成精密的过滤缝隙和面向渤水流方面的V型区。V型区可以收集到大于缝隙的颗粒,形成一个过滤层,从而使过滤精度进一步的提高。V型区还提供了适当的释放角度,便于在反冲洗时能将杂质顺利排除。  
   2、独立的连续供水功能
本机不需要停机就可以自动进行反冲洗,从而保证了滤芯的正常工作,即可以不间断际供水而不需要停机清洗滤芯。
   3、大过滤面积和大过滤空间
本机在罐体空间内配有多个过滤芯。这样充分利用了过滤空间,显著缩小过滤器的体积。有效过滤面积一般设计为入口面积的2.1倍-4倍。大过滤面积意味着只需要低频反冲洗和阻损小。
   4、体积小
由于本机结构合理,充分利用了过滤空间,因而是砂滤器体积的十分之一。
   5、可靠的反冲机构
本机的反冲吸盘和过滤充芯分装在两个腔内。用隔板将其隔开,同时吸盘紧靠在光滑的隔板上,这样减少了吸盘的磨损,因而机构可靠耐用。
   6、自动反冲洗功能
本机除了设有手动反冲洗功能外。还设有自动反冲洗功能。本机安装了高精度差压控制器,用以监测进出腔的压力差。两腔压力差的增加是滤渣堵塞滤芯造成的。当压力差增到设定值,差压控制器输出信号,启动反冲机构,即进入反冲状态,当压力恢复正常时,信号中断,关闭反冲机构。
   7、自清洗的功能
本机的反冲原理先进,即利用自身的水压进行清洗,不需要另外设置压缩空气和反冲水系统。
   8、耐久耐用
本机的内部过水部件大部分采用不锈钢制造,耐腐蚀,使用寿命长。
三、产品外形及部件名称见下图

四、产品主要尺寸表
项 目 代号 HY-125 HY-150 HY-200 HY-250 HY-300 HY-350 HY-400 HY-500 HY-600 HY-700 HY-800
公称直径 DN 125 150 200 250 300 300 400 500 600 700 800
筒体直径 D 400 500 600 600 900 900 1000 1200 1400 1600 1600
进口高度 H1 580 750 800 800 900 900 1000 1100 1100 1200 1200
出口高度 H2 1030 1250 1300 1300 1550 1550 1800 1950 2100 2200 2500
筒体顶高度 H3 1430 1660 1760 1760 2110 2110 2460 2710 2860 3060 3360
总高 H4 1960 2470 2570 2570 2920 2920 3270 3520 3670 3870 4170
进出口法兰距离 B 726 800 900 900 1200 1200 1400 1600 1800 2000 2000
连接法兰外径 D1 245 285 300 395 445 505 565 670 780 895 1015
法兰螺孔中心圆 D2 210 240 295 350 400 460 515 620 725 840 950
螺孔 n-Ф 8-F22 8-F22 8-F22 12-F22 12-F22 16-F22 16-F22 20-F26 20-F30 24-F30 24-F33
支座安装孔中心圆 D0 280 350 420 420 630 630 700 840 1050 1200 1200
电控箱外形尺寸           500×400×235            
  注:1、本过滤器的连接法兰,一般按HGJ45-91PN1.0MPa设计制造,用户如需其它标准和规格的连接法兰,或相关尺寸及排污阀方向等需变更时,请在订货时说明。
    2、如需防爆型电控箱,其外形尺寸为800×540×400。
五、JD-GLQ型自清洗水过滤器主要技术参数表  
项目 HY-125 HY-150 HY-200 HY-250 HY-300 HY-350 HY-400 HY-500 HY-600 HY-700 HY-800
公称通径mm 125 150 200 250 300 350 400 500 600 700 800
设计压力MPa 1.0(另外有1.6和2.5或供选用)
设计流量*m3/h 100 130 230 350 500 700 900 1400 2000 2800 2600
(1)钻孔滤网 1.0(另外有1.6和2.5或供选用)
(2)约翰逊楔形滤网 孔径1.0-3.5mm
差压设定值调节范围MPa 孔径1.0-3.5mm
切换差压调节范围MPa 0.02-1.06
差压设定值调节范围MPa 0.035-0.15
反冲洗时间设定范围S 0-180S
压力损失MPa 0.02-0.04
工作方式 手动、自动或定时动
  注:1、*设计流量按V=2m/S计算
    2、**该过滤面积是以滤孔为Ф1的冲孔板所计算的值;孔径不同,其有效过滤面积也有所不同。
六、订货须知
  1、订货时,请列出产品型号规格、连接法兰的标准代号、实际工作压力、所需过滤精度等技术参数。
  2、如本过滤器是在易燃、易爆或户外条件下工作,则所需电机、电器、制器及控制箱均匀应是防爆型或户外型,请在订货时说明。
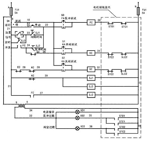
七、电器控制原理图



 

 

地址:启东市经济开发区凯旋路338号
电话:0513-83223318 传真:0513-83252058
手机:13606286423 联系人:姚亚鑫
http://www.jscxhb.com
E-mail:chxssb@126.com