产品分类

联系我们

启东市昶鑫环保设备有限公司
地址:启东市经济开发区凯旋路338号
电话:0513-83223318
传真:0513-83252058
联系人:姚亚鑫
手机:13606286423
http://www.jscxhb.com
E-mail:chxssb@126.com

 

JD-OX系列氧气用点阀箱

OX-A1-4型氧气用点阀箱
一、用 途
  本产品适用于金属气焊、气割、火焰表面清理和热加工的氧气管路用户点,也能同氧气汇流排配套使用于上述各种用户点。

二、结构特点
  本产品外部保护箱采用天蓝色烤漆防锈,阀箱接点可供1-4把焊炬或割炬分别使用,也可供同时使用。由于每个接点都分别配有减压器避免了同时使用时压力、流量的波动,内部所有管路均采用不锈钢(1Cr18Ni9Ti)制作。阀箱门接有箱体专用锁,便于集中管理,可避免因误操作造成的能源浪费和泄漏引起的不安全因素。

三、产品技术参数

项 目
OX/A-1型
OX/A-2型
OX/A-3型
OX/A-4型
正常使用压力MPa
0.1-1.6
0.1-1.6
0.1-1.6
0.1-1.6
流量Nm3/H
15-60
30-120
45-180
60-240
外形尺寸mm
1200×960×320
1200×960×320
1200×960×320
1200×960×20
接头规格
DN10×1
DN10×2
DN10×3
DN10×4
接管法兰规格
JB82-59 JB81-59
JB82-59 JB81-59
JB82-59 JB81-59
JB82-59 JB81-59
PN4.0或PN2.5 DN25
PN4.0或PN2.5 DN25
PN4.0或PN2.5 DN25
PN4.0或PN2.5 DN25
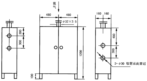
四、OX-A1-4型氧气接点阀箱安装示意图
五、选用说明
  当进气压力P≤2.5MPa时,入口配JB81-59平焊钢法兰.
当进气压力2.5<p≤1.0MPa时,入口配JB82-59对焊钢法兰.
请用户订货时注明。
 
OX-B1-3型氧气用点阀箱

一、用 途
  本产品适用于金属气焊、气割、火焰表面清理和热加工的氧气管路用户点,也能同氧气钢瓶组配套使用于上述各种用户点。

二、结构特点
  本产品外部保护箱采用天蓝色烤漆防锈,阀箱接点可供1-3五人分别使用,也可供同时使用。所用仪表可通过阀箱面板窥视孔直接观察,内部所有管路均采用不锈钢(1Cr18Ni9Ti)制作;阀箱门接有箱体专用锁,便于集中管理,可避免因误操作造成的能源浪费和泄漏引起的不安全因素。

三、产品技术参数
氧气用点阀箱技术参数

型 号
OX/B-1型
OX/B-2型
OX/B-3型
正常使用压力MPa
0.8-1.6
0.8-1.6
0.8-1.6
流量Nm3/H
15-30
30-45
45-100
外形尺寸mm
1000×500×240
1000×500×240
1000×500×240
接头规格
见附图
见附图
见附图
 
四、注意事项
  本产品在安装过程中请注意进出气口不可接反,发现堵塞应清洗,使用一年后应进行全面检修。
 



 

 

地址:启东市经济开发区凯旋路338号
电话:0513-83223318 传真:0513-83252058
手机:13606286423 联系人:姚亚鑫
http://www.jscxhb.com
E-mail:chxssb@126.com