产品分类

联系我们

启东市昶鑫环保设备有限公司
地址:启东市经济开发区凯旋路338号
电话:0513-83223318
传真:0513-83252058
联系人:姚亚鑫
手机:13606286423
http://www.jscxhb.com
E-mail:chxssb@126.com

 

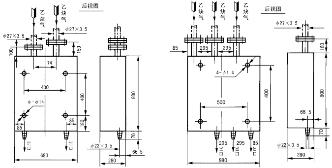
JD-C2H2/B1-3型乙炔气用点阀箱

一、用 途
  本产品适用于金属气焊、气割、火焰表面清理和热加工的氧气管路用户点,也能同溶解乙炔钢瓶组配套使用于上述各种用户点。

二、结构特点
  本产品外部保护箱采用天红色烤漆防锈,阀箱接点(含岗位回火防止装置)可供1-3人分别使用,也可供同时使用。所用仪表可通过阀箱面板窥视孔直接观察,内部所有管路均采用优质碳钢制作,阀箱门接有箱体专用锁,便于集中管理,可避免因误操作造成的能源浪费和泄漏引起的不安全因素。

三、产品技术参数

型 号
C2H2/B-1型
C2H2/B-2型
C2H2/B-3型
正常使用氧气压力MPa
0.07-0.15
0.07-0.15
0.07-0.15
流量Nm3/H
5
10
15
外形尺寸mm
800×380×280
800×680×280
800×980×280
接头规格
见附图
见附图
见附图


四、注意事项
  本产品在安装过程中请注意进出气口不可接反,发现堵塞情况应清洗,使用一年后应进行全面检修且需更换密封件,装配后应进行试压、回火试验合格,以保证阻火性能。

C2H2/B-2型、3型乙炔安全阀箱安装示意图
C2H2/B-1型乙炔安全阀箱安装示意图
 



 

 

地址:启东市经济开发区凯旋路338号
电话:0513-83223318 传真:0513-83252058
手机:13606286423 联系人:姚亚鑫
http://www.jscxhb.com
E-mail:chxssb@126.com